yituLogo
当前的位置:首页 > 室内CAD图纸 > cad > 工装图纸 > 办公空间 > 现代办公楼全套CAD装修图纸下载

图纸介绍

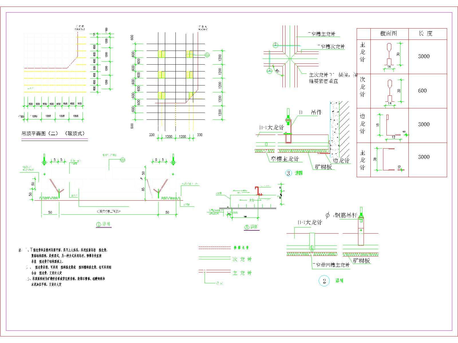
 现代办公全套CAD装修图纸下载,根据办公的规模、使用要求和技术、环境条件来确定建筑的体形、体量、层数、朝向等。在平面空间上处理好办公用房之间、办公用房与各种服务用房之间的关系以及室内外环境。按照流状况,解决平面和竖向交通问题。易图网为您提供下载服务,好看实用。

现代办公楼全套CAD装修图纸下载

ID:14796
软     件:sketchup 大     小:6.10MB 上 传 时 间:20190726 消 耗 积 分:30
  • 收藏 ()
  • 评论 ()
  • ⚠图纸报错

husen 普通会员

关注
  • 中式售楼处sketchup模型,销售中心skp模型下载
  • 中式售楼处su模型,销售中心草图大师模型下载
  • 中式历史文化展厅su模型,展厅草图大师模型下载
图纸使用权利说明:

会员在本站下载的原创CAD图库后,只拥有CAD图库的使用权,著作权归原作者及易图网所有。未经合法授权,会员不得以任何形式发布、传播、复制、转售该CAD图库。特别地,不得擅自以易图网名义或使用"易图"、"易图网"(本站注册商标)名称发布、复制、转售所下载的CAD图库,由此给本站造成损害的,本站将依法追究其相关法律责任。

友情链接 热门模型 免费模型