yituLogo
当前的位置:首页 > 室内CAD图纸 > cad > 工装图纸 > 办公空间 > 现代会议室装饰详图cad图纸下载

图纸介绍

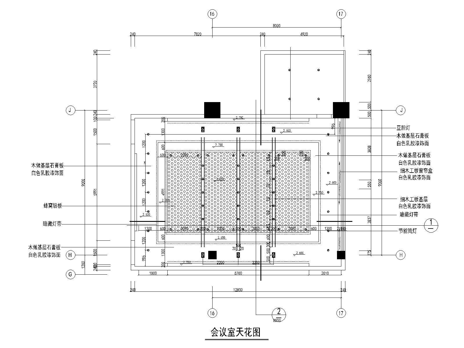
现代会议室装饰详图cad图纸下载,现代风格的会议室cad图纸,简洁直观,欢迎下载,易图网为您提供下载服务,好看实用。

现代会议室装饰详图cad图纸下载

ID:15119
软     件:sketchup 大     小:0.90MB 上 传 时 间:20190727 消 耗 积 分:30
  • 收藏 ()
  • 评论 ()
  • ⚠图纸报错

zzx 普通会员

关注
  • 现代美容院接待大厅草图大师模型,美容院sketchup模型下载
  • 现代轻奢美容SPA会所草图大师模型,美容院su模型下载
  • 现代手机店草图大师模型,手机店su模型下载
图纸使用权利说明:

会员在本站下载的原创CAD图库后,只拥有CAD图库的使用权,著作权归原作者及易图网所有。未经合法授权,会员不得以任何形式发布、传播、复制、转售该CAD图库。特别地,不得擅自以易图网名义或使用"易图"、"易图网"(本站注册商标)名称发布、复制、转售所下载的CAD图库,由此给本站造成损害的,本站将依法追究其相关法律责任。

友情链接 热门模型 免费模型