yituLogo
当前的位置:首页 > 室内CAD图纸 > cad > 工装图纸 > 酒店宾馆 > 五星级大酒店艾威茵大酒店装饰工程CAD图纸设计

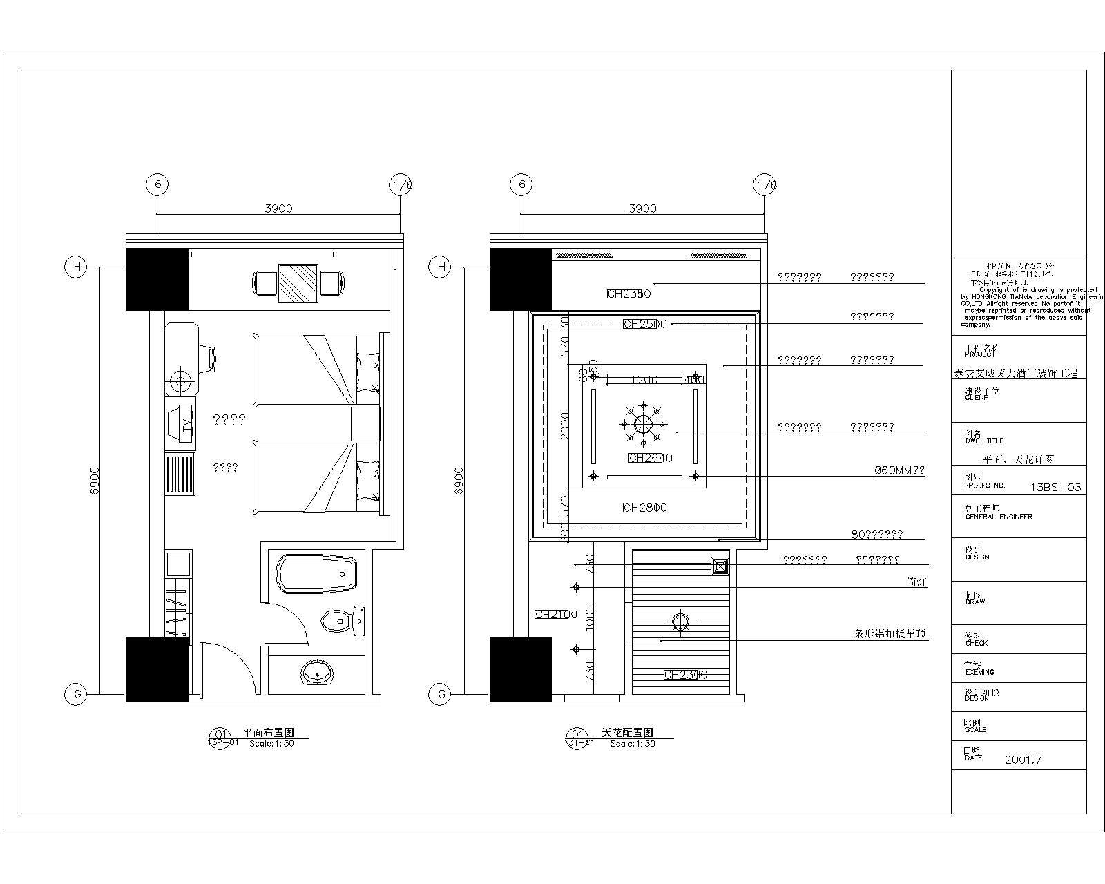
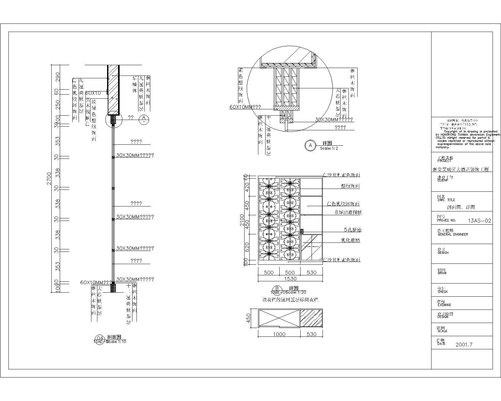
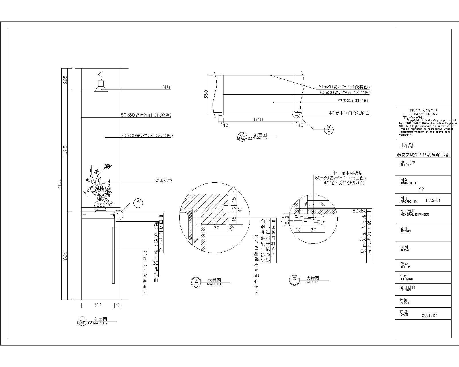
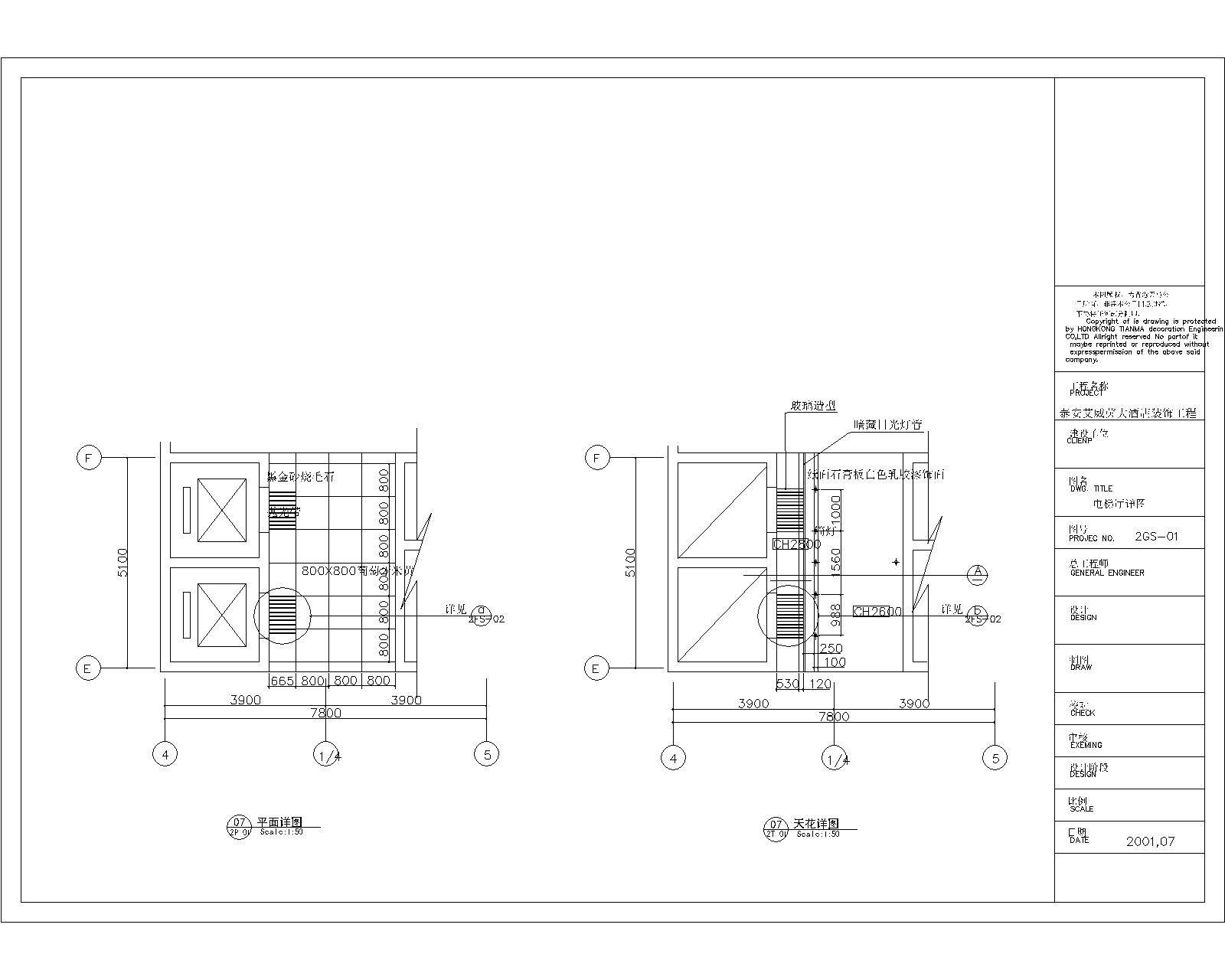
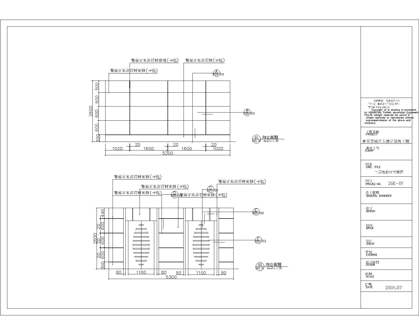
五星级大酒店艾威茵大酒店装饰工程CAD图纸设计

ID:14193
软     件:sketchup 大     小:8.90MB 上 传 时 间:20190725 消 耗 积 分:30
  • 收藏 ()
  • 评论 ()
  • ⚠图纸报错

huangyuzhen 普通会员

关注
  • 现代风格别墅su模型,别墅sketchup模型下载
  • 现代简约别墅草图大师模型,别墅sketchup模型下载
  • 现代简约别墅su模型,别墅sketchup模型下载
图纸使用权利说明:

会员在本站下载的原创CAD图库后,只拥有CAD图库的使用权,著作权归原作者及易图网所有。未经合法授权,会员不得以任何形式发布、传播、复制、转售该CAD图库。特别地,不得擅自以易图网名义或使用"易图"、"易图网"(本站注册商标)名称发布、复制、转售所下载的CAD图库,由此给本站造成损害的,本站将依法追究其相关法律责任。

友情链接 热门模型 免费模型