yituLogo
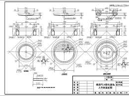
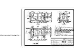
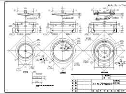
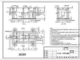
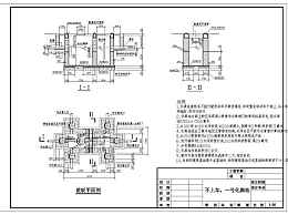
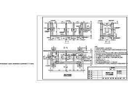
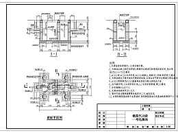
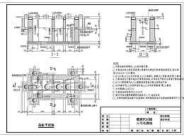
当前的位置:首页 > 室内CAD图纸 > cad > 机电设备 > 建筑给排水施工图 > 上海某地区常用砖砌化粪池设计施工详图3D模型
图纸使用权利说明:

会员在本站下载的原创CAD图库后,只拥有CAD图库的使用权,著作权归原作者及易图网所有。未经合法授权,会员不得以任何形式发布、传播、复制、转售该CAD图库。特别地,不得擅自以易图网名义或使用"易图"、"易图网"(本站注册商标)名称发布、复制、转售所下载的CAD图库,由此给本站造成损害的,本站将依法追究其相关法律责任。

友情链接 热门模型 免费模型