yituLogo
当前的位置:首页 > 室内CAD图纸 > cad > 商业空间 > 展厅展馆 > 展厅CAD图纸,展厅CAD施工图纸下载

图纸介绍

 展厅CAD图纸展厅CAD施工图纸下载内容简介:图纸含有展厅平面图、展厅节点大样图、剖面图、立面图等,内容详实,尺寸合理,作图规范,具有较高的参考价值。

部分图纸展示:

QQ截图20191217091914.png

 

平面

 

QQ截图20191217091928.png

剖面图

 

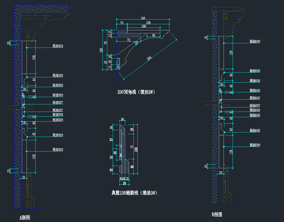
QQ截图20191217091940.png

 

剖面图

 

QQ截图20191217091950.png

 

垭口立面图

 

QQ截图20191217091959.png

 

平面

展厅CAD图纸,展厅CAD施工图纸下载

ID:21562
软     件:sketchup 大     小:0.50MB 上 传 时 间:20191217 消 耗 积 分:30
  • 收藏 ()
  • 评论 ()
  • ⚠图纸报错

qianqian 普通会员

关注
  • 户外垃圾桶
  • 户外垃圾桶
  • 户外垃圾桶
图纸使用权利说明:

会员在本站下载的原创CAD图库后,只拥有CAD图库的使用权,著作权归原作者及易图网所有。未经合法授权,会员不得以任何形式发布、传播、复制、转售该CAD图库。特别地,不得擅自以易图网名义或使用"易图"、"易图网"(本站注册商标)名称发布、复制、转售所下载的CAD图库,由此给本站造成损害的,本站将依法追究其相关法律责任。

友情链接 热门模型 免费模型